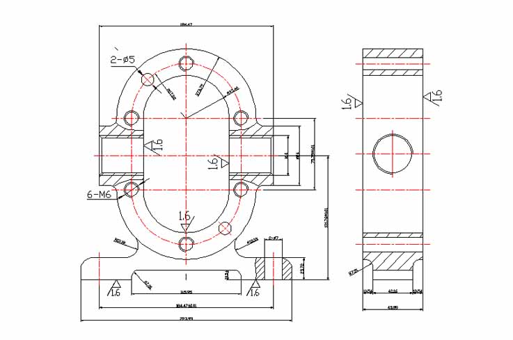
齿轮泵机座CAD图